This is an old revision of the document!
Habilitation Éléctrique
Voici un ensemble de notes prises lors de ma formation à l'habilitation électrique en novembre 2018. Notes écrites OK jusqu'à la page 15 → schémas à dessiner, information à réorganiser !
Il n'existe pas de norme “spectacle” pour l'éléctricité. Il peut y avoir quelques éléments supplémentaires qui s'applique du fait d'être un ERP et peut-être quelques éléments liés à la mobilité des installations mais c'est tout.
L'habilitation électrique s'intéresse à la distribution électrique exclusivement et ne concerne pas les équipements. Chaque équipement aura sa propre norme qui sort du cadre d'une habilitation électrique. Elle s'arrête donc aux circuits terminaux.
Le contrat de Travail
Dans le milieu professionnel, le salarié est présent dans le cadre d'un contrat de travail régi par le code du travail.
L'employeur a une obligation de résultat en contrepartie de la privation des libertés individuelles qu'il inflige au salarié.
Le cadre du contrat de travail implique trois éléments :
Compétences
Charge à l'employeur de vérifier que l'employé est comptétent pour la tâche demandée.
Il peut vérifier par les diplômes, par l'évaluation professionnelle, par les tests d'aptitude, par l'expérience professionnelle validée par acquis (VAE)…
Aptitude au travail
Charge à la médecine du travail de valider qu'un travailleur est apte pour la tâche demandée.
Charge à l'employeur de fournir à la médecine du travail tous les éléments relatifs au travail qu'il exige de son employé, notamment la fiche de poste.
Charge à l'employé de ne pas dissimuler d'éléments grave lié à sa santé et qui pourrait modifier la décision de la médecine du travail. </WRAP>
Information & Formations aux risques
Charge à l'employeur d'informer son employé des risques présents et liés à la tâche demandé, et de le former aux risques professionnels si l'employé n'est pas habilité à effectuer la tâche.
Pour qu'un contrat de travail soit valide, l'employeur doit avoir vérifié ces trois éléments.
Valeurs nominales
Les constructeurs ne s'engagent que sur des valeurs nominales qu'ils indiquent et qui sont correllées.
Courants alterantifs, continus, discontinus
On utilise la tension efficace avec les courants alternatifs pour faire des calculs sur les circuits de la même manière qu'avec les courants continus.
Courant alternatif
$U_{max} = \sqrt{2} \times U_{eff}$
$U_{moy} = \frac{\pi}{2} \times \int_0^\frac{\pi}{2} \sin wt(dt)$
Courant discontinu
correspond à un courant alternatif redressé. Les valeurs de tension ne parte plus dans le négatif, mais continuent à osciller.
Il appartient à la famille des courants continus : le courant ne se déplace plus que dans un seul sens. Il y a apparition d'un pôle + et d'un pôle -.
Courant continu lisse
L'indice de Protection
IP## = Indice de Protection (Solide / Liquide)
Le chiffre de gauche indique l'indice de protection solide (de 0 à 6) et celui de droite indique l'indice de protection liquide (de 0 à 8).
En dessous de l'IP 2X l'habilité doit intervenir sous EPI
L'IK symbolise l'indice de protection contre les chocs
Classifications des régimes de tensions
- Entre 0 - 50 V : Très Basse Tension (TBT)
- Entre 50 et 1000 V : Basse Tension (BT)
- Au delà de 1000 V : Haute Tension (HT)
Les équipements
Le sectionneur
Attention ! Un sectionneur ne doit jamais être manoeuvré en charge : création d'un arc électrique.
Il sert à mettre hors tension un circuit pour opérer dessus.
Il peut être couplé à un interrupteur pour obtenir un interrupteur sectionneur, permettant de le manipuler sur un circuit en charge.
Symbole
L'interrupteur
Sert à couper le courant dans un circuit.
Il peut être manoeuvré en charge. Il supporte des courants de surcharge importants.
Il se décline également en interrupteur sectionneur, qui cumule les fonctions du sectionneur et de l'interupteur.
Symbole
Le contacteur
Le relais thermique
Surveille le courant et déclenche une alarme ou interromps la circulation du courant en cas de surcharge.
Le disjoncteur
Les prises auto-déconnectantes
Différentiel
Fusibles
La protection
Statut des individus dans la prévention des risques
La norme NFC 15-100 prévoit la classification suivante de la tension minimale de danger :
- BB1 : Conditions normales → à partir de 25V (anciennement 50V)
- BB2 : Conditions mouillées → à partir de 12V (anciennement 25V)
- BB3 : Conditions immergées → courant interdit (anciennement 12V)
Au delà de ces valeurs, la norme exige qu'il y ait interruption automatique du circuit en cas de court-circuit ou de surcharge.
Protection
On protège les circuits électriques contre les éléments suivants :
- surcharges
- circuits
Il n'existe aucun moyen électronique pour différencier un être humain d'un équipement sur un circuit électrique.
Lorsque c'est le cas, tout tient au fait d'avoir mis en place des mesures permettant de détecter que le circuit n'est plus tel qu'il devrait être et d'en interrompre l'alimentation le plus rapidement possible.
Pour le travail en hauteur notamment, il y a risque à partir de 10mA (seuil de non-lâcher). On considère la valeur moyenne de résistance d'un technicien du spectacle autour de 1kΩ
Le corps humain
On protège également les personnes contre les accidents possibles liés avec les circuits électriques.
Les accidents impliquant de l'éléctricité sont :
- éléctrisation : blessure
- électrocution : mort
Lorsque le courant électrique parcourt le corps humain il prendra le pas sur les impulsions nerveuses envoyées par le cerveau. L'accidenté ne maîtrise plus ses gestes et ses muscles se fléchissent ou se contractent indépendamment de sa volonté, jusqu'à casser tendons, articulations et os.
Les facteurs de risques aggravants plus ou moins les personnes sont :
- l'intensité
- l'impédance du corps (sa résistance, on peut estimer une moyenne de 1kΩ)
- la tension de contact
- la fréquence (en France elle sera forcément de 50Hz)
- le temps de contact
- le trajet (les blessures main/main et tête/pied ne feront pas les mêmes effets)
Prévention des risques
On met en place des mesures :
- intrinsèques : viser la suppression totale du risque (par exemple, travailler hors tension)
- intégrés : on a identifier clairement les quelques rares risques existants
- rapportés : on a améliorer la protection suite à la détection d'un risque
- protection individuelle (les EPI, voir plus bas. Attention, c'est anormal d'avoir à les porter tout le temps)
- protection collective (on a fermé l'armoire a clé)
- consignes : on a donner des directives claires pour mettre les individus hors danger.
Le contrôle
Le contrôle du matériel est obligatoire. Sur les armoires électriques, le contrôle est obligatoire tous les ans et à la charge de l'exploitant, pas du propriétaire.
Le contrôle n'est pas quelque chose de forcément négatif. Au contraire, du matériel contrôlé et en bon état est la seule garantie d'une installation bien sécurisé.
Attention, les bureaux de contrôles étant des organismes privés et soumis à la concurrence ils ont mis en pratique des offres de low costing. Notamment ils peuvent délivrer des certificats sur plan sans avoir vérifié l'installation ce qui n'élimine pas les dangers potentiels !
L'état impose le contrôle mais ne stipule pas le niveau de contrôle à effectuer, toutes les installations étant différentes. C'est donc à l'exploitant de missionner le bureau de contrôle sur ce qu'il a à contrôler. En cas de doute on peut aussi demander à l'organisme de contrôle ce qu'il pense de l'installation et de ce qui serait à contrôler.
C'est à la charge du Directeur Technique de bien tenir les rênes de son bâtiment. Il peut faire faire une étude technique de son bâtiment à une société prestataire (Socotec, etc.)
Attention si le contrôle technique est passé de date le site n'est plus assuré.
Analyse des risques
Si nous n'avons pas de liaison équipotentielle reliant toutes les structures, un projecteur isolé dans une tente classique 4×4 en chassis alu présentant un défaut d'isolation sera beaucoup plus dangereux que s'il était accroché au milieu d'un grill à côté de dizaines d'autres projecteurs. Dans ce second cas, le projecteur pourra faire passer le défaut aux autres projecteurs qui, étant reliés à la terre convenablement, feront sauter le disjoncteur.
Il y a souvent risque d'accident lorsque deux facteurs aggravant s'empilent : d'un côté, la rupture de la liaison de protection (vert/jaune) pourra être perdue parcequ'une rallonge est mauvaise. Le courant passe quand même mais l'équipement n'est plus protégé. Ensuite, un défaut d'isolation peut raccorder la masse d'un équipement raccordé à cette ralonge à un potentiel élevé et créer un accident.
Liaison équipotentielle
On ramène toutes les structures indépendantes en métal et portant du matériel sous tension à un même potentiel en les reliant entre eux, le plus souvent avec une tresse de cuivre nu, section 25mm². Ainsi, en cas de défaut quelque part qui porte une partie de l'équipement sous-tension, c'est l'ensemble de la structure qui sera porté au même potentiel et personne ne pourra créer de différence de potentiel entre deux structures.
Lois vs Normes
Loi
La legislation définit ce qui ne doit pas arriver dans une situation donnée. Un décret d'application doit être édité pour pouvoir utiliser la loi. La circulaire est alors édité pour assister les autorités dans l'application de la loi.
Aucune solution technique n'est proposée par la loi pour son application
C'est la fonction des normes.
Norme
La norme décrit l'ensemble des solutions techniques qui permettent d'atteindre les critères & objectifs décrit par la loi.
Les normes ne sont pas obligatoires dans leurs applications. Les normes obligatoires concernent essentiellement la protection des individus, la santé et l'environnement.
L'AFNOR est l'organisme nationnal qui recense l'ensemble des normes.
La norme NFC 15-100 va indiquer les différentes mesures à prendre pour protéger l'installation électrique en fonction du câble, de sa section et de sa longueur.
Les normes EN 309-1 et EN 309-2 régissent les prises électriques.
Les Tarifs des abonnements électriques
Poste de Transformation
Resistances de prise de terre
Haute Tension vers Basse Tension
La distribution en Haute tension se fait par les paliers de 400kV à 225kV à 63kV puis 20kV dans les quartiers ou chez les clients Tarif Vert.
Le poste de transformation fait l'interface entre le réseau en haute tension, géré par RTE ou Enedis et l'installation qui est en Basse Tension BT. Il abaisse la tension (20kV → 230/400 V) et permet le passage de 3 fils (3P) à 4 fils (3P + N)
Le transformateur est composé de deux bobinages :
- une primaire, fil plus fin (tension plus élevé)
- une secondaire, fil plus épais (tension plus faible, courant plus élevé)
Le rapport de transformation s'établit tout simplement avec le nombre de spires du bobinage primaire par rapport au secondaire. 1000 spires dans un bobinage primaire et 500 spires dans le secondaire donne donc un rapport de transformation égal à $1\over2$
Schémas de couplages
Redessiner ici et insérer les schémas de couplage pour un transformation triphasé.
- La tension entre 1 phase et le neutre se nomme Tension Simple et se nomme Us
- La tension entre 2 phases se nomme tension composée $U\scriptsize{c} \normalsize = \sqrt{3}.U \scriptsize{s}$
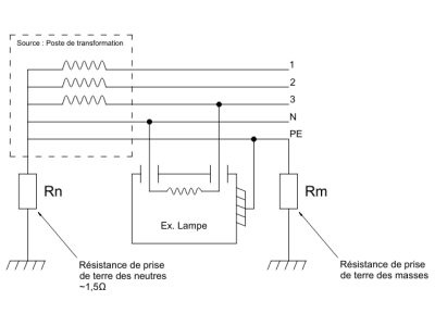
Histoire de la mise à la terre
Historiquement, la France était en Phase + Neutre du transformateur jusque chez l'habitant. Il n'y avait pas de risque de s'électrocuter du haut d'une échelle en touchant la phase et en ayant son corps relié à la terre. Sauf que lors des orages, le 20kV fuitait parfois dans les phases du circuit basse tension ce qui provoquait des incendies.Pour palier à ce problème, les ingénieurs on relié le Neutre du transformateur à la terre. Ceci a eu pour effet de rendre possible de fermer un circuit en touchant un appareil dont la coque a été mise sous tension et en étant en contact avec la terre. Certains petits malins pouvait même s'en servir pour alimenter en électricité des appareils sans payer la consommation. Les installations ont donc eu obligation d'avoir un raccordement à la terre d'où le schéma de liaison à la terre classique TT
Schéma de Liaison à la Terre (SLT)
Une des questions fondamentales dans une installation est : quelle est le rapport du neutre à la terre?
Cela permet de comprendre comment se passe le défaut quand il y en a un et par où il passe.
C'est le rôle des schémas de lisaison à la terre de le décrire et ils sont symbolisés par deux lettres.
C'est à la charge de l'exploitant de gérer la ligne de Protection Électrique localement.
Historiquement, le SLT s'appelait Régime des neutres.
Première lettre
Elle concerne le neutre du poste de transformation, début du circuit secondaire, avant de l'amener au point de distribution.
- T : Terre. Le neutre du est relié à la terre. C'est le plus courant.
- I : Isolé. Le neutre du poste de transformation est isolé de la terre.
Seconde lettre
Elle concerne les masses de l'installation, ce à quoi la ligne de protection (vert/jaune) est reliée.
- T : Terre. La ligne PE est reliée à la terre.
- TNC : Terre/Neutre confondus.
- TNS : Terre/Neutre séparés.
Le schéma le plus classique que l'on retrouve est le SLT TT.
Attention, dans les tarifs Bleus et Jaune, le schéma de liaison à la terre est forcément TT puisqu'on ne peut maîtriser le raccordement du poste de transformation, qui est systématiquement T, imposé par Enedis.
Équipements de protection
Attention, les EPI ne servent à rien si on laisse des parties du corps exposés.
Natures des contacts
Contact direct
Il y a contact direct avec une pièce sous-tension. Les seules protections que l'on peut mettre en place contre les contacts directs sont :
- éloignement (mettre les éléments en hauteur ou sous-sol)
- obstacle (mettre les éléments sous tension dans des boîtes ou derrière des caches)
- isolation (entourer le matériel sous tension avec un isolant, comme les câbles électriques)
Contact indirect
Il y a contact du corps avec une pièce qui ne devrait pas être sous tension mais qui a été accidentellement portée à un certain potentiel. Pour s'en protéger on doit :
- mettre des dispositifs de coupure automatique sur l'alimentation (différentiel, fusible, disjoncteur…)
- effectuer une séparation de sécurité des circuits (transformateur égal/égal)
- travailler en TBTS (Très Basse Tension de Sécurité)
Mnémotechnique
Un bon moyen pour se rappeler est :
- contact direct : c'est normal que la pièce était sous tension
- contact indirect : c'était anormal que la pièce était sous tension
Éléments divers
Attention à l'utilisation du terme “électro” pour celui qui monte des installations (parfois très complexes) mais qui n'est pas nécéssairement électricien pour autant et n'aura donc pas forcément les compétences pour déceler une installation potentiellement dangereuse qu'on lui demande de monter.
Les appareils issus des nouvelles technologies apportent de plus en plus de nouvelles perturbations sur les réseaux. Dans le cas d'une installation comportant beaucoup d'appareillage électronique moderne (consoles numériques, projecteurs à lyre asservies etc…) la simple pince ampère-métrique pour mesurer la puissance tirée ne suffit plus car elle ne prend en compte que les fréquences de 50-60Hz et ne mesure rien des autres fréquences sur lesquelles les harmoniques sont.
Fusible moteur
Le fusible aM pour les moteurs ne protège que contre les courts-circuits et pas contre les surcharges. Il faut mettre en place un relai thermique en protection contre la sur-charge. Ceci est lié au fait que les moteurs tirent des courants d'appel de l'ordre de 6 à 7 fois leur courant nominal et ferait donc fondre le fusible systématiquement.
Section de câble
En protection électrique on peut compter 1000 W - 5A - 1mm² pour les calculs de section et être très largement en dessous de la norme, dans des conditions de sécurité pour tirer la puissance sans chauffer excessivement les câbles. Il y a moyen d'affiner le calcul de puissance pour connaître plus précisément la section à appliquer.
Changement de Section
Vérification des installations
Généralement, les vérifications des installations statiques se font tous les ans et les vérifications des équipements mobile (type nacelle, palans motorisées qui ne sont pas en poste) se font tous les 6 mois.
Les loueurs
Quand on fait appel à la location il faut exiger de la part du loueur que les appareils soient livrés avec leur certificat de contrôle en cours de validité.
Exploitant
On parlera d'exploitant d'une salle de spectacle ou d'un lieu culturel. C'est l'employeur qui est exploitant d'un lieu dont il peut, ou non, être propriétaire.
Dans les métiers du spectacle, attention à ne pas passer son temps à regarder l'écran (ex du directeur technique qui ne descend plus au plateau ou du tech son qui éteint ses écrans pour mieux travailler son écoute…)
Attention aux éléments (même en métal) qui sont peint ! La peinture créé une couche isolante mais peut être écorné par endroit et si la pièce en métal en dessous est sous tension il peut y avoir un danger.
Glossaire
- EPI : Équipement de Protection Individuel
- ERP : Établissement Recevant du Public
- IK : Intensité de court-circuit
- IK : Indice de Protection contre les Chocs
- PNST : Pièce Nue sous Tension
- POS : Plan d'Occupation des Sols
- SLT : Schéma de Liaison à la Terre
- TGBT : Tableau Général Basse Tension
- VAE : Validation des Acquis par Expérience











